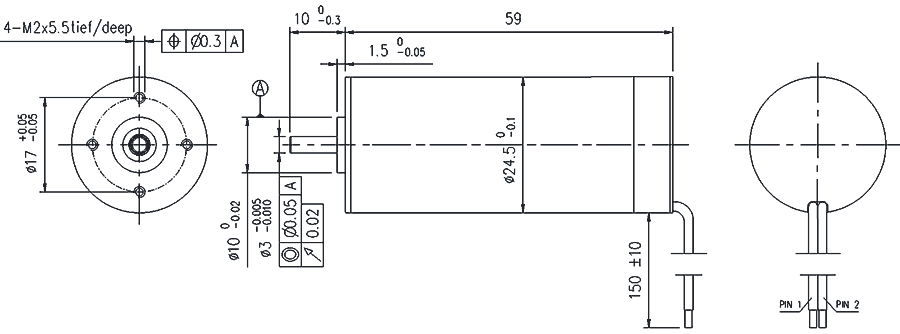
ECD2459S,Φ24mm*59mm
With more and more requirments of the Brush motor replacement, downsize and lightweight design, reliable quality needed and specific functions customization...etc, the controller with Brushless DC motor integrated solution become important and popular.
Vishan ECD series are developed to feed such requirements, the high quality and miniaturized controller are very important and defiant, with special structure of the motor inside to place the controllers well and delivery good heat dissipation, Our ECD series can supply big power output, good security and high quality.
Confituration:
  • Function: On&Off/Direction/Speed control/Brake Speed closed&open-loop Control/Speed feedback
  • Performance: Customized in the continuous operating range
  • Ball bearing: Preload
  • Flange: Standard frange front&back/customize the frange
  • Shaft: Length/Diameter/Cut face
  • Leadwire: PVC/Silicon/Teflon/UL No/Dimension/length Connector: JST/MOLEX/TE
  • Connector:JST/MOLEX/TE
  • SPECIFICATIONS + DETAIL
  • OPERATING RANGE
  • DRAWING
粤ICP备12092820号        Copyright © 2016 Shenzhen Vishan Technology Co.,Ltd All Rights Reserved      Designed by : Qifang     
Program:CDH